Integrated Circuit Rf Amplifier

Rf Ldmos Power Amplifier Integrated Circuits For Cellular

Rf Ldmos Power Amplifier Integrated Circuits For Cellular

Electronic Component Sc 1091 Buy Integrated Circuit Rf Amplifier Ic Rf Transistor New And Original Product On Alibaba Com

Electronic Component Sc 1091 Buy Integrated Circuit Rf Amplifier Ic Rf Transistor New And Original Product On Alibaba Com

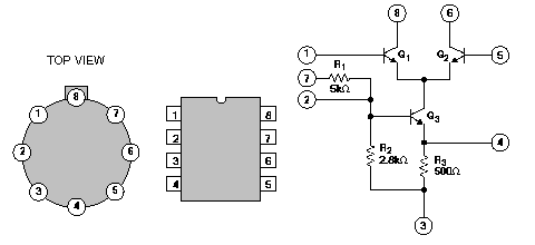
8171 Nxp Rf Amplifier Datasheets Mouser Canada

8171 Nxp Rf Amplifier Datasheets Mouser Canada


8171 Nxp Rf Amplifier Datasheets Mouser Canada
Integrated Transformer Baluns For Rf Low Noise And Power

Integrated Transformer Baluns For Rf Low Noise And Power

Rf Power Amplifier Wikipedia

Rf Power Amplifier Wikipedia

Esd Power Clamp With Adjustable Trigger Voltage For Rf Power

Esd Power Clamp With Adjustable Trigger Voltage For Rf Power

Nte1620 Datasheet Nte Pdf Data Sheet Free From Www

Nte1620 Datasheet Nte Pdf Data Sheet Free From Www

Figure 4 From Wideband High Efficiency Envelope Tracking

Figure 4 From Wideband High Efficiency Envelope Tracking

Photonics Free Full Text Key Technologies For Thz

Photonics Free Full Text Key Technologies For Thz

Nte1060 Ic Am Rf Amplifier Mix Oscillator Fm Am If Amplifier

Nte1060 Ic Am Rf Amplifier Mix Oscillator Fm Am If Amplifier

Us 11 56 11 Off 30 4000mhz Broadband High Frequency Rf Amplifier Gain 40db Gain Module In Integrated Circuits From Electronic Components

Us 11 56 11 Off 30 4000mhz Broadband High Frequency Rf Amplifier Gain 40db Gain Module In Integrated Circuits From Electronic Components

Tda1302t The Integrated Circuit Of Rf Signal Preset

Tda1302t The Integrated Circuit Of Rf Signal Preset

Integrated Circuit Design Wikipedia

Integrated Circuit Design Wikipedia

Py2wm Mmic

Py2wm Mmic

The Defpom Lm3028 Component Info Page

The Defpom Lm3028 Component Info Page

Comments

Popular posts from this blog

Linear Integrated Circuits By Ramakant Gayakwad Pdf Free Download

Mosfet Gate Resistor Power Rating

Induction Cooking Is Good For Health